Основные параметры малогабаритных реле постоянного тока РЭС-60
Реле РЭС60 rерметичное, двухпозиционное, одностабильное, питаемое постоянным током, с двумя переключающими контактами.
Предназначено для коммутации электрических цепей постоянноrо и переменноrо тока. Реле РЭС60 соответствует требованиям ГОСТ16121-86 и техническим условиям РС0.459.006ТУ.
Условия эксплуатации:
- синусоидальная вибрация в диапазоне частот:
5-20Гц с амплитудой перемещения не более 3мм;
20-50Гц с амплитудой перемещения не более 1.5мм;
50-1500Гц с амплитудой ускорения до 150м/с?.
1500-3000Гц с амплитудой ускорения до 200м/с?.
Механические удары одиночного действия. Прочность:
- пиковое ударное ускорение до 1500(5000)м/с?;
- число ударов 9 (2).
При этом допускается кратковременное размыкание размыкающих контактов и не допускается замыкание замыкающих контактов.
Механические удары многократного действия. Устойчивость:
- пиковое ударное ускорение до 750м/с?;
Механические удары многократного действия (прочность) с пиковым ударным ускорением:
- до 750м/с? с числом ударов 4000;
- до 350м/с? с числом ударов 10000;
Линейное ускорение до 750м/с? (100g).
Акустический шум:
- диапазон частот 100–10000Гц;
- уровень звукового давления не более 63.2Па.
Диапазон температур:
-60...+85°С для реле исполнений: РС4.5б9.435-00, PC4.569.435-01, PC4.569.435-04 - PC4.569.435-06, PC4.569.435-09;
-60...+70°С для реле исполнений: PC4.569.435-02, PC4.569.435-03, PC4.569.435-07;
-60...+85°С для реле исполнений: PC4.569.435-08.
Повышенная относительная влажность воздуха до 98% при температуре не более 35°С.
Масса реле, не более: 3.5г.
Минимальный срок службы и минимальный срок сохраняемости реле – 12 лет.

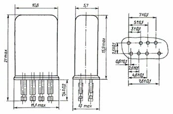
Габаритные размеры реле РЭС60

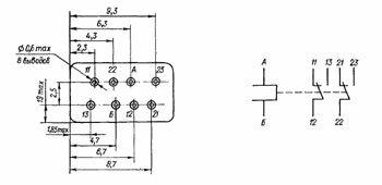
Маркировка выводов и эл.схема реле РЭС60
| Типреле | Номер паспорта | Rном.Ом | Ток | Uраб.B | Iраб.mA | Время | Кон-такты1 | ||
| Iср.mA | Iот.mA | tср.mC | tот.mC | ||||||
| 1 | 2 | 3 | 4 | 5 | 6 | 7 | 8 | 9 | 10 |
| РЭС-60 | РС4.569.436 | 1 700 | 8 | 2 | 22..34 | - | 4 | 2 | 2п |
| РС4.569.437 | 800 | 12 | 3 | 16..20 | - | ||||
| РС4.569.438 | 270 | 23 | 5 | 10..16 | - | ||||
| РС4.569.439 | 58 | 51 | 11 | 5..8 | - | ||||
| РС4.569.440 | 36 | 60 | 13 | 3.5..4.5 | - | ||||
Примечание
1 - Цифры обозначают число контактных групп, буквы: з - замыкание; р - размыкание; п - переключение.
2 - Реле с серебряными контактами; контакты остальных реле из платино-иридиевого сплава.
3 - Реле этих типов с буквенным индексом А выпускают без крепежных уголков, а с буквенным индексом Б - с уголками.
В таблице применены следующие условные обозначения:
Rном. - номинальное сопротивление обмотки;
Iср. - ток срабатывания, не более;
Iотп. - ток отпускания, не менее;
Uраб. - рабочее напряжение;
Iраб. - рабочий ток;
tср. - время срабатывания, не более;
tотп. - время отпускания, не более;

Отправить комментарий