Основные параметры малогабаритных реле постоянного тока РЭС-49
Реле РЭС49 rерметичное, двухпозиционное, одностабильное, с одним переключающим контактом.
Предназначено для коммутации электрических цепей постоянноrо и переменноrо тока. Реле РЭС49 соответствует ГОСТ16121-86 и техническим условиям РСО.453.011ТУ.
Условия эксплуатации:
- синусоидальная вибрация в диапазоне частот:
5-55Гц с амплитудой перемещения не более 2мм;
55-1000Гц с амплитудой ускорения до 300м/с?.
1000-3000Гц с амплитудой ускорения до 200м/с?.
Механические удары одиночного действия. Прочность:
- пиковое ударное ускорение до 1500(5000)м/с?;
- число ударов 9 (2).
При этом допускается кратковременное размыкание размыкающих контактов и не допускается замыкание замыкающих контактов.
Механические удары многократного действия. Устойчивость:
- пиковое ударное ускорение до 750м/с?;
Механические удары многократного действия (прочность) с пиковым ударным ускорением:
- до 750м/с? с числом ударов 4000;
- до 350м/с? с числом ударов 10000;
Линейное ускорение до 1000м/с?.
Акустический шум:
- диапазон частот 100–10000Гц;
- уровень звукового давления не более 63.2Па.
Диапазон температур:
-60...+85°С для реле исполнений: PC4.569.421-00, PC4.569.421-01, РС4.569.421-04, РС4.569.421-05 - РС4.569.421-08;
-60...+70°С для реле исполнений: PC4.569.421-02, РС4.569.421-11;
-60...+60°С для реле исполнений: PC4.569.421-03, PC4.569.421-09.
Повышенная относительная влажность воздуха до 98% при температуре не более 35°С.
Масса реле, не более: 3.5г.
Минимальный срок службы и минимальный срок сохраняемости реле – 12 лет.

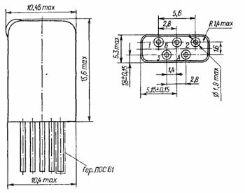
Габаритные размеры реле РЭС49

Разметка для крепления и эл.схема реле РЭС49
| Типреле | Номер паспорта | Rном.Ом | Ток | Uраб.B | Iраб.mA | Время | Кон-такты1 | ||
| Iср.mA | Iот.mA | tср.mC | tот.mC | ||||||
| 1 | 2 | 3 | 4 | 5 | 6 | 7 | 8 | 9 | 10 |
| РЭС-49 | РC4.569.000 | 1 900 | 8 | 1 | 24..30 | - | 3 | 2 | 1п |
| РC4.569.001 | 1 900 | 8 | 1 | 24..30 | - | ||||
| РC4.569.023 | 1 900 | 8 | 2 | 22..36 | - | ||||
| РC4.569.024 | 800 | 12 | 2 | 16..20 | - | ||||
| РC4.569.025 | 270 | 22 | 4 | 10..16 | - | ||||
| РC4.569.026 | 65 | 50 | 10 | 5..8 | - | ||||
| РC4.569.027 | 1 900 | 8 | 1 | 22..36 | - | ||||
| РC4.569.028 | 1 900 | 8 | 2 | 22..36 | - | ||||
| РC4.569.029 | 800 | 12 | 2 | 16..20 | - | ||||
| РC4.569.030 | 1 900 | 8 | 1 | 22..36 | - | ||||
| РC4.569.031 | 270 | 22 | 4 | 10..16 | - | ||||
| РC4.569.032 | 65 | 50 | 10 | 5..8 | - | ||||
Примечание
1 - Цифры обозначают число контактных групп, буквы: з - замыкание; р - размыкание; п - переключение.
2 - Реле с серебряными контактами; контакты остальных реле из платино-иридиевого сплава.
3 - Реле этих типов с буквенным индексом А выпускают без крепежных уголков, а с буквенным индексом Б - с уголками.
В таблице применены следующие условные обозначения:
Rном. - номинальное сопротивление обмотки;
Iср. - ток срабатывания, не более;
Iотп. - ток отпускания, не менее;
Uраб. - рабочее напряжение;
Iраб. - рабочий ток;
tср. - время срабатывания, не более;
tотп. - время отпускания, не более;

например коммутация
например коммутация аналоговых сигналов
возможно это старое
возможно это старое обозначение, или вообще дата изготовления
Отправить комментарий