Основные параметры малогабаритных реле постоянного тока РЭС-22
Слаботочное электромагнитное реле постоянного тока с четырьмя переключающими контактами. Негерметичное, двухпозиционное, одностабильное, предназначено для коммутации электрических цепей постоянного и переменного тока. Реле РЭС22 соответствует требованиям ГОСТ 16121-86 и техническим условиям РХ0.450.006ТУ.
Условия эксплуатации
- Температура окружающей среды от -60 до +85°С, для реле исполнений РФ4.523.023-09, РФ4.523.023-10, РФ4.523.023-11 от +1 до +85°С, для реле исполнения РФ4.523.023-12 от -40 до +50°С.
- Циклическое воздействие температур -60 и +85°С, для реле исполнений РФ4.523.023-09, РФ4.523.023-10, РФ4.523.023-11 +1 и +85°С; для реле исполнения РФ4.523.023-12 -40 и +50°С.
- Повышенная относительная влажность до 98 % при температуре +35°С в течение не более трех суток. Повторное пребывание реле в этих условиях допускается после выдержки в нормальных климатических условиях не менее 12 ч.
- Атмосферное давление от 665 до 103740 Па.
- Синусоидальная вибрация (вибропрочность и виброустойчивость) в диапазоне частот: от 20 до 50 Гц - с амплитудой 1 мм; от 50 до 200 Гц - с ускорением не более 100 м/с2; от 200 до 1500 Гц - не более 30 м/с2.
- Ударная прочность. При одиночных ударах с ускорением до 1000 м/с2 - 9 ударов. При многократных ударах с ускорением не более 250 м/с2 - 10000 ударов.
- Ударная устойчивость - с ускорением не более 50 м/с2.
- Постоянно действующие линейные ускорения не более 150 м/с2.
Требования к надежности
Минимальный срок службы и срок сохраняемости реле при хранении в условиях отапливаемого хранилища, а также вмонтированных в защищенную аппаратуру или находящихся в комплекте ЗИП - 12 лет; или при хранении в неотапливаемых хранилищах, в упаковке изготовителя и вмонтированных в аппаратуру - 2 года; или при хранении под навесом, в упаковке изготовителя и вмонтированных в аппаратуру - 1 год; или при хранении на открытой площадке, вмонтированных в аппаратуру - 1 год.

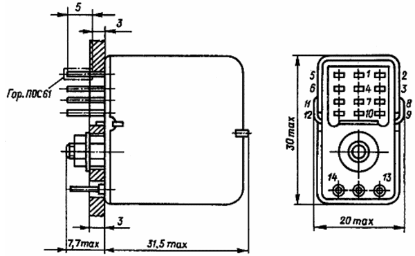
Конструктивные данные реле РЭС22

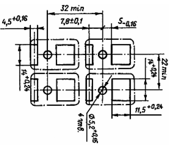
Разметка для крепления реле РЭС22

Принципиальная электрическая схема реле РЭС22

Внешний вид реле РЭС22
| Типреле | Номер паспорта | Rном.Ом | Ток | Uраб.B | Iраб.mA | Время | Кон-такты1 | ||
| Iср.mA | Iот.mA | tср.mC | tот.mC | ||||||
| 1 | 2 | 3 | 4 | 5 | 6 | 7 | 8 | 9 | 10 |
| РЭС-22 | РФ4.500.120 | 650 | 19 | 6 | 21..26 | - | 15 | 6 | 4п |
| РФ4.500.121 | 175 | 36 | 11 | 11..13 | - | ||||
| РФ4.500.122 | 2 500 | 11 | 4 | 43..52 | - | ||||
| РФ4.500.124 | 2 800 | 11 | 4 | 54..66 | - | ||||
| РФ4.500.125 | 2 800 | 11 | 2 | 54..66 | - | ||||
| РФ4.500.129 | 175 | 36 | 8 | 11..13 | - | ||||
| РФ4.500.130 | 2 500 | 11 | 3 | 43..52 | - | ||||
| РФ4.500.131 | 650 | 20 | 4 | 21..26 | - | ||||
| РФ4.500.163 | 700 | 21 | 3 | 27..33 | - | ||||
| РФ4.500.225 | 650 | 19 | 6 | 21..26 | - | ||||
| РФ4.500.231 | 700 | 21 | 3 | 27..33 | - | ||||
| РФ4.500.233 | 175 | 36 | 8 | 11..13 | - | ||||
Примечание
1 - Цифры обозначают число контактных групп, буквы: з - замыкание; р - размыкание; п - переключение.
2 - Реле с серебряными контактами; контакты остальных реле из платино-иридиевого сплава.
3 - Реле этих типов с буквенным индексом А выпускают без крепежных уголков, а с буквенным индексом Б - с уголками.
В таблице применены следующие условные обозначения:
Rном. - номинальное сопротивление обмотки;
Iср. - ток срабатывания, не более;
Iотп. - ток отпускания, не менее;
Uраб. - рабочее напряжение;
Iраб. - рабочий ток;
tср. - время срабатывания, не более;
tотп. - время отпускания, не более;

насколько мне известно,
насколько мне известно, никаких указаний по поводу удаления этой прокладки, нет...
Отправить комментарий